9급 국가직 공무원 응용역학개론 (2018년04월07일 기출문제)
1과목 : 과목 구분 없음
1번
그림과 같이 변의 길이가 r인 정사각형에서 반지름이 r인 1/4원을 뺀 나머지 부분의 x축에서 도심까지의 거리
는?
는?
2번
그림과 같은 봉의 C점에 축하중 P가 작용할 때, C점의 수평변위가 0이 되게 하는 B점에 작용하는 하중 Q의 크기는? (단, 봉의 축강성 EA는 일정하고, 좌굴 및 자중은 무시한다)

3번
그림과 같은 보에서 주어진 이동하중으로 인해 B점에서 발생하는 최대 휨모멘트의 크기[kNㆍm]는? (단, 보의 자중은 무시한다)

4번
그림과 같은 하중을 받는 단순보에서 최대 휨모멘트가 발생하는 위치가 A점으로부터 떨어진 수평거리[m]는? (단, 보의 자중은 무시한다)

5번
그림과 같이 양단이 고정되고, 일정한 단면적(200mm2)을 가지는 초기 무응력상태인 봉의 온도변화(△T)가 -10 °C일 때, A점의 수평 반력의 크기[kN]는? (단, 구조물의 재료는 탄성-완전소성거동을 하고, 항복응력은 200MPa, 초기탄 성계수는 200 GPa, 열팽창계수는 5 × 10-5/ °C 이며 좌굴 및 자중은 무시한다)

6번
그림과 같은 하중을 받는 단순보에서 B점의 수직반력이 A점의 수직반력의 2배가 되도록 하는 삼각형 분포하중 w[kN/m]는? (단, 보의 자중은 무시한다)

7번
그림과 같은 라멘 구조물에서 AB 부재의 수직단면 n-n에 대한 전단력의 크기[kN]는? (단, 모든 부재의 자중은 무시한다)

8번
그림과 같은 분포하중을 받는 단순보에서 C점에서 발생하는 휨모멘트의 크기[kNㆍm]는? (단, 보의 자중은 무시한다)

9번
그림과 같이 높이가 폭(b)의 2배인 직사각형 단면을 갖는 압축부재의 세장비(λ)를 48 이하로 제한하기 위한 부재의 최대 길이는 직사각형 단면 폭(b)의 몇 배인가?

10번
그림과 같은 트러스에서 부재 AB의 온도가 10 °C 상승하였을 때 B점의 수평변위의 크기[mm]는? (단, 트러스 부재의 열팽창계수 α=4×10-5/°C이고, 자중은 무시한다)

11번
그림과 같은 캔틸레버보에서 자유단 A의 처짐각이 0이 되기 위한 모멘트 M의 값은? (단, 보의 휨강성 EI는 일정하고, 자중은 무시한다)

12번
그림과 같이 B점에 모멘트 M을 받는 캔틸레버보에서 C점의 수직처짐은 B점의 수직처짐의 몇 배인가? (단, 보의 휨강성 EI는 일정하고, 자중은 무시한다)

13번
다음은 평면응력상태의 응력요소를 표시한 것이다. 최대전단응력의 크기가 가장 큰 응력요소는?
14번
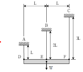
그림과 같이 강체보가 길이가 다른 케이블에 지지되어 있다. 보의 중앙에서 수직하중 W가 작용할 때, 케이블 AD에 걸리는 인장력의 크기는? (단, 모든 케이블의 단면적과 탄성계수는 동일하고, 모든 부재의 자중은 무시한다)

15번
그림과 같이 동일한 사각형이 각각 다른 위치에 있을 때, 사각형 A, B, C의 x축에 관한 단면 2차모멘트의 비(IA : IB : IC)는?

16번
그림과 같은 하중을 받는 길이가 2L인 단순보에서 D점의 처짐각 크기는? (단, 보의 휨강성 EI는 일정하고, 자중은 무시한다)

17번
그림과 같이 C점에 축하중 P가 작용하는 봉의 부재 CD에 발생하는 수직응력은? (단, 부재 BC의 단면적은 2A, 부재 CD의 단면적은 A이다. 모든 부재의 탄성계수 E는 일정하고, 자중은 무시한다)

18번
그림과 같은 트러스에서 CB부재에 발생하는 부재력의 크기[kN]는? (단, 모든 부재의 자중은 무시한다)

19번
그림과 같은 편심하중을 받는 짧은 기둥이 있다. 허용인장응력 및 허용압축응력이 모두 150MPa일 때, 바닥면에서 허용응력을 넘지 않기 위해 필요한 a의 최솟값[mm]은? (단, 기둥의 좌굴 및 자중은 무시한다)

20번
그림과 같이 강체로 된 보가 케이블로 지지되고 있다. F점에 수직하중 P가 작용할 때, F점의 수직변위의 크기는? (단, 케이블의 단면적은 A, 탄성계수는 E라 하고, 모든 부재의 자중은 무시하며 변위는 미소하다고 가정한다)
